| Fan type | EC |
|---|
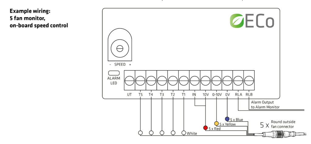
ECo Monitor Drive Controller
Description: Printed Circuit Board (PCB) for controlling VILPE ECo roof fan operation. Can monitor rotation speed signals from 1-5 fans; multiple boards can also be linked together to allow for the monitoring of more fans. Functions include an isolated alarm output with a 15-20 second alarm threshold for one tachometer pulse per revolution, as well as a faulty fan LED. Adjustable 0-10 V speed control input and 10 V 1 mA operating voltage which can also be provided by the fan itself (Patent 2431303). Four fixing holes are available for mounting.
Contents: ECo Monitor, instructions.
Share product page



Download CAD Models
Product categories: Controllers, Roof fans


