| Тип вентилятора | EC |
|---|
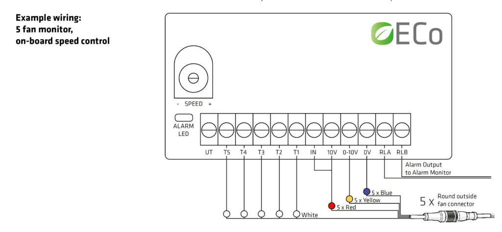
EСO MONITOR
Применение: печатная плата для управления VILPE ECo крышными вентиляторами. Может контролировать сигналы скорости вращения 1-5 вентиляторов.
Отдельный выход сигнализации и светодиодная индикация неисправного вентилятора. Дополнительный внешний вход 0–10 В для задания скорости вентилятора, регулируемый внутренним потенциометром в диапазоне 0–100 %. Питание: 10 В, 1 мА, возможно питание от вентилятора EC (патент 2431303).
Комплект: ECo Monitor и инструкция.
Поделиться страницей изделия



Скачать CAD Модели
Product categories: Вентиляторы, Регуляторы


